电 话:028-86751041-8004
联系人:章莹玲
手 机:18918572467
地 址: 中国 上海 嘉定区嘉涌路99弄6号713

更新时间:2024-11-20 浏览数:76
所属行业:机械设备> 气动元件(机械、工业制品、行业设备)> 其他气动元件
发货地址:
产品规格:--
产品数量:1
包装说明:--
单 价:面议
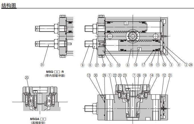
讲解SMC摆台 基本型MSQB100A
特点详情:
平台和摆动气缸一体化
追记号 A 带调整螺钉
磁性开关型号 - 无磁性开关 磁环内置
磁性开关个数 - 2个 或 无
通口的种类 - M5(10,20);Rc1/8(30,50,70,100,200)
●带角度调节功能
●负载可直接安装,本体安装时易于对中
●可选择内置液压缓冲器或外部缓冲器
汽缸的负荷增减过快,特别是快速的启动、停机和工况变化时温度变化大、暖缸的方式不正确、停机检修时打开保温层过早等,在汽缸中和法兰上产生很大的热应力和热变形。
汽缸在机械加工的过程中或经过补焊后产生了应力,但没有对汽缸进行回火处理加以消除,致使汽缸存在较大的残余应力,在运行中产生变形。
汽缸是铸造而成的,汽缸出厂后都要经过时效处理,使汽缸在住铸造过程中所产生的内应力完全消除。如果时效时间短,那么加工好的汽缸在以后的运行中还会变形。
汽缸在运行时受力的情况很复杂,除了受汽缸内外气体的压力差和装在其中的各零部件的重量等静载荷外,还要承受蒸汽流出静叶时对静止部分的反作用力,以及各种连接管道冷热状态下对汽缸的作用力,在这些力的相互作用下,汽缸生塑性变形造成泄漏。


气缸 CDQ2B40-40DZ-M9B
气控阀 SYJA522-M5
气缸 MKB40-30RZ
气源处理器AC40A-04G-A
气缸 MHZL2-25D
气缸 MHY2-25D
气缸 CDQ2B12-5DMZ
气缸 CDQ2A40-5DZ
气缸 MHL2-10D
IF323-10-11,
AR30-02BG-B
气缸 MHZ2-20D
气缸 MHY2-25D
MXS16-30A-X11
气动泵 PA3110-03
气排 KDM10S-08
VMG1-06-200-100
气控阀 SYJA522-M5
混合阀 LMV210-20
AW20-N02H-CZ-B
AW40-04D-B
KQG2L08-02S
KQG2L10-02S
KQ2L10-02AS
KM11-06-10-6
讲解SMC摆台 基本型MSQB100A