电 话:028-86751041-8004
联系人:王倩
手 机:15308020014
地 址: 中国 上海 嘉定区嘉涌路99弄6号713

更新时间:2024-12-20 浏览数:70
所属行业:机械设备> 气动元件(机械、工业制品、行业设备)> 真空发生器
发货地址:
产品规格:--
产品数量:1
包装说明:--
单 价:面议
真空单元组合ZX1101-K15LZ-EC 日本SMC 中文样本
企业QQ:2880626084
手机;(微信)
电话:-8005
邮箱:@163.com
联系人;冯娇
产品信息:
●对应真空发生器系统和真空泵系统
●可通过模块式设计组合必要机能
●适用于重达100 g的电子零件或小件
●对应真空发生器系统和真空泵系统
●可用于集装式
字段描述字段取值取值描述
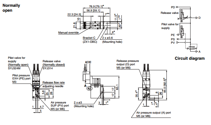
真空发生器单元喷嘴口径101.0mm
真空发生器排气形式1带消声器
供给阀·破坏阀组合K1供给阀:电磁阀 N.C.(VJ114);破坏阀:电磁阀 N.C.(VJ114)
先导阀规格-DC:1W型(带灯:1.05W);AC型
电磁阀额定电压5DC24V
导线引出方式LL型插座式 引线长度0.3m
指示灯·过电压保护回路Z带指示灯及过电压保护回路
手动操作-非锁定推压式
真空开关单元/过滤器单元的场合E真空用压力开关(一般用)(ZSE2)(NPN规格),带真空过滤器
真空用数字式压力开关单元的场合(ZSE3)-无
真空开关导线引出方式C插座式 引线长度0.6m
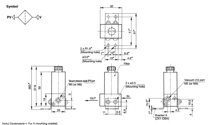
PV·V通口接管口径-M5X0.8
破坏流量调节针阀/托架A-无锁母,带托架A
订制规格-标准
CE对应--



真空单元组合ZX1101-K15LZ-EC 日本SMC 中文样本