电 话:028-86751041-8004
联系人:王倩
手 机:15308020014
地 址: 中国 上海 嘉定区嘉涌路99弄6号713

更新时间:2024-12-16 浏览数:115
所属行业:机械设备> 阀门> 执行器
发货地址:
产品规格:--
产品数量:1
包装说明:--
单 价:面议
CKD紧固型气缸CMK2-00-40-80/Z图样

简介:
引导活塞在缸内进行直线往复运动的圆筒形金属机件。空气在发动机气缸
中通过膨胀将热能转化为机械能;气体在压缩机气缸中接受活塞压缩而提高
压力。
涡轮机、旋转活塞式发动机等的壳体通常也称"气缸"。气缸的应用领域:印
刷(张力控制)、半导体(点焊机、芯片研磨)、自动化控制、机器人等等。
实物图:

折叠:
(1)对使用者的要求较低。气缸的原理及结构简单,易于安装维护,对于使
力,可适应各种恶劣的环境。而电缸由于具有大量电气部件的缘故,对环
用者的要求不高。电缸则不同,工程人员必需具备一定的电气知识,否则
极有可能因为误操作而使之损坏。
(2)输出力大。气缸的输出力与缸径的平方成正比;而电缸的输出力与三个因
于同样缸径的电缸,虽然不同公司的产品各有差异,但是基本上都不超过
1000N。显而易见,在输出力方面气缸更具。
(3)适应性强。气缸能够在高温和低温环境中正常工作且具有防尘、防水能
素有关,缸径、电机的功率和丝杆的螺距,缸径及功率越大、螺距越小则
输出力越大。一个缸径为50mm的气缸,理论上的输出力可达2000N,对
境的要求较高,适应性较差。
型号:
MSTG-B-32-25/KK
MSTG-M-12-100/KK
MSTG-M-12-30/KK
MSTG-M-12-40/KK
MSTG-M-12-50/KK
MSTG-M-12-75/KK
MSTG-M-16-100/KK
MSTG-M-16-20/KK
4F720-20-BL-AC220V,
CMK2-CB-40-25-Y,
CCA-M-25-30/KK
4F620-20-DC24V,
CMK2-CB-32-100,
MSTG-M-50-25/KK
4F620-20-BLS-AC110V/Z,
CMK2-CB-25-250,
MSTG-M-32-50/KK
4F620-20-AC110V/Z,
CMK2-CA-40-80,
STS-B-16-30
STS-B-16-40
STS-B-16-50
STS-B-20-25
STS-B-25-20
STS-B-40-30
MSTG-M-20-200/KK
MSTG-M-20-25/KK
MSTG-M-25-100/KK
MSTG-M-25-20/KK
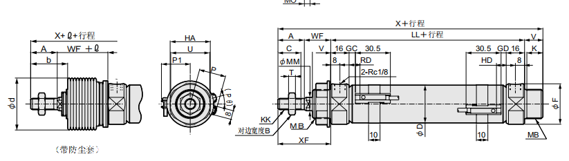
尺寸图:


MSTG-M-25-200/KK
MXGC-25-E-3
MYB2-6-DC24V
MYG2-6-DC24V
N4G2-TAG-HOLDER
N4S020-C6-3
STS-B-50-25-F
STS-B-8-20
STS-B-8-30-T3span-D-F
STS-BG3-20-50
STS-BG3-20-50-T2YLH5-D
STS-BG3-20-50-T2YLV-D
STS-BP-16-30
STS-M0-25-50
STS-M-16-20
STS-M-20-10
STS-M-20-25-T0H-R-F
MSTG-M-25-30/KK
4F620-15-M3L-DC24V,
CMK2-CA-40-65,
MSTG-B-25-30/KK
4F610-15-B-DC24V,
CMK2-C-00-40-125,
CCA-M-32-20/KK
4F520-15-M3G-AC220V,
CMK2-C-00-32-400,
CCA-M-12-50/KK
m4ka210-06-3-ac220v,
CMK2-C-00-25-370,
MSTG-M-20-30/KK
MSTG-M-16-40/KK
MSTG-M-16-50/KK
MSTG-M-16-75/KK
MSTG-M-20-100/KK
MSTG-M-20-125/KK
NCK-00-0.7-N1
NCK-00-1.2
NCK-00-1.2-C
NCK-00-1.2-N1
NCK-00-12
MSTG-M-25-30/KK
MSTG-M-25-40/KK
MSTG-M-25-50/KK
MSTG-M-25-75/KK
MSTG-M-32-100/KK
MSTG-M-32-25/KK
N4TB119-00-L-3
N4TB119-00-LK-3
NAB1-8
NAP11-15A-1
NAP11-32A-1
NCK-00-0.1
NCK-00-0.3
NCK-00-0.7
NCK-00-0.7-C
MSTG-M-32-50/KK
MSTG-M-32-75/KK
MSTG-M-40-100/KK
MSTG-M-40-25/KK
MSTG-M-40-75/KK
MSTG-M-50-50/KK
CKD紧固型气缸CMK2-00-40-80/Z图样