电 话:028-86751041-8004
联系人:王倩
手 机:15308020014
地 址: 中国 上海 嘉定区嘉涌路99弄6号713

更新时间:2024-12-16 浏览数:35
所属行业:机械设备> 气动元件(机械、工业制品、行业设备)> 气缸
发货地址:
产品规格:--
产品数量:1
包装说明:--
单 价:面议
日本CKD小型直接型气缸(微速型)

产品资料
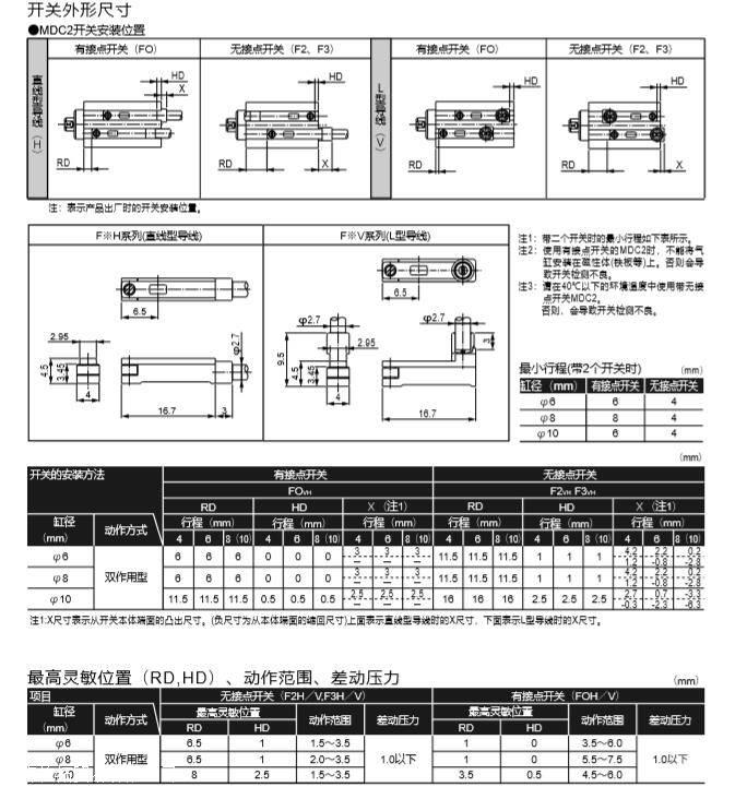
使用带有接点开关MDC2时,不能在气缸上安装磁性物体 (铁板等)。
请在环境温度400C以下使用带无接点开关MDC2。否则会 导致开关检验不正常。
微速型(MDC2-F)的注意事项
●请在没有给油的状态下使用。
●如给油会出现特性变化的情况。
●请靠近气缸安装速度控制器。
●如速度控制器远离气缸安装,会使速度不稳定。
●速度控制器请使用SC-M3/M5、SC3W、SCD-M3/M5、
SC3WU系列。 ●一般空气压力越高,负荷率越低就越稳定。
●请在负荷率50%以下使用。 ●在排气节流回路中控制速度会使其稳定。 ●单活塞杆气缸动作方向推时在微速驱动情况下,如负荷阻力小 动作开始时会发生飞出现象。作为对策请用 b 、 c 、 d 回 路。 d 回路稳定。
飞出现象的原因 ●在排气节流回路中通过控制流量保证排气端微速。
阀切换后, 两侧压力相同,活塞受压面积差值所产生的推力会向推
方向发 生飞出。
(发生飞出的标准) ●活塞杆面积×空气压力>负荷阻力时会发生。
● 请不要给气缸施加横向荷重。 此外,设置时请确保滑动导向
不要发生挠曲。 ●荷变动、阻抗变动,动作将会变得不稳定。
●若导向(导轨)的静摩擦和动摩擦之差较大的话,动作将会
变得不稳定。 ● 请不要在有振动的地方使用。
●受到振动的影响,会导致动作不稳定。
产品规格详情

日本CKD小型直接型气缸(微速型)