电 话:028-86751041-8004
联系人:王倩
手 机:15308020014
地 址: 中国 上海 嘉定区嘉涌路99弄6号713

更新时间:2024-12-16 浏览数:56
所属行业:机械设备> 气动元件(机械、工业制品、行业设备)> 其他气动元件
发货地址:
产品规格:--
产品数量:1
包装说明:--
单 价:面议
优品:日本CKD大型气缸

产品型号:SCS2-N-TC-250B-1700-Y
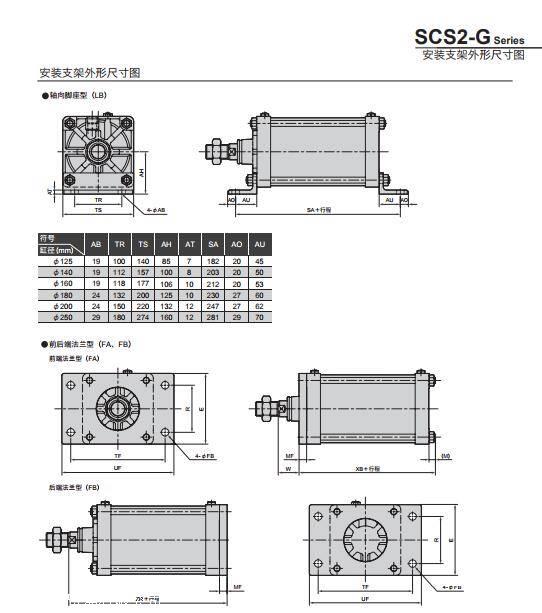
产品规格
规格
项目 SCS2-G(单活塞杆型·给油型·无给油型)
缸径 mm
动作方式
使用流体
高使用压力 MPa
低使用压力 MPa
保证耐压力 MPa
环境温度
配管口径
行程允许误差 mm
使用活塞速度 mm/s
缓冲
有效缓冲长度 mm
给油
允许吸收能量 J
-5~60(但是,不得冻结)
Rc/
(~300)、 (~1000)、 (~1200)
20~500(请在允许吸收能量范围内使用。)
空气缓冲
要(给油时请使用透平油1种ISO VG32),SCS-N·LN不要
不带缓冲时,则不能吸收外部负荷产生的较大能量。因此,建议
同时使用外部缓冲装置。


优品:日本CKD大型气缸