电 话:021-39526589-8004
联系人:覃小敏
手 机:19117262520
地 址: 中国 上海 嘉定区嘉涌路99弄6号713

更新时间:2026-03-18 浏览数:36
所属行业:机械设备> 气动元件(机械、工业制品、行业设备)> 其他气动元件
发货地址:
产品规格:--
产品数量:1
包装说明:--
单 价:面议
安全使用OMRON光电传感器品质高

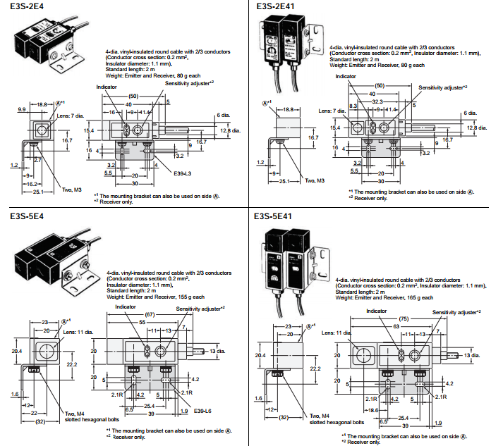
型号表
E3S-LS10XE4 2M
E3S-LS20XE4 2M
E3S-2E4
发射器E3S-2LE4
接收器E3S-2DE4
发射器E3S-5LE4
接收器E3S-5DE4
反光E3S-R2E4
E3S-DS10E4
E3S-DS30E4
E3S-2E41
发射器E3S-2LE41
接收器E3S-2DE41
E3S-5E41
发射器E3S-5LE41
接收器E3S-5DE41
反光E3S-R2E41
操作样本手册
操作。
1.这样做可能会造成损坏或火灾。不要安装
产品在以下位置。
?受阳光直射的地方
?由于高湿度会导致冷凝的位置
?有腐蚀性气体的场所
?受振动或机械冲击的位置
超过额定值
?受蒸汽影响的地方
?受强磁场或强电场影响的场所
2.请勿在受环境影响的环境中使用本产品
易燃或易爆气体。
3.请勿使用超过工作电压的电压
范围。施加超过操作的电压
电压范围或向DC传感器施加AC电源可能
引起爆炸或燃烧。
4.这样做可能会造成损坏,火灾,爆炸或
故障。
?切勿使用有损坏的机身或电缆的产品。
?切勿拆卸,修理或篡改产品。
?切勿在电源不正确的情况下使用本产品
布线。
5.不要短路负荷。否则爆炸或燃烧可能
结果。
6.请勿在电缆环境中使用传感器
可能会浸入油或其他液体或其他地方
液体可能会穿透传感器。这样做可能会导致
燃烧和火灾造成的损坏,特别是如果是液体
易燃。
7.请勿在水中或室外使用。
8.处理产品时,将其作为工业废弃物处理。
1.请勿在任何环境或环境中使用本产品
超过评级。
2.使用M4螺钉安装传感器并拧紧
螺钉的zui大扭矩为1.2 N-m。
3.不要在超过电缆的电缆上施加力
以下限制:
拉:40 N;扭矩:0.1 N-m;压力:20 N;弯曲:29.4 N.
4.确保拧紧连接器。
5.事件水平和测量可能需要一些时间
电源转动后,值立即变为稳定
取决于使用环境。
6.可能会发生烧伤。产品表面温度
根据应用条件上升,例如
环境温度和电源电压。
操作或清洁时必须注意。
如果传感物体具有金属或光泽表面,则为E3SR
可能无法正确检测到它。为了避免这种情况,请放置
感应物体,使其不与物体成直角
光电传感器。
产品尺寸图片
安全使用OMRON光电传感器品质高