电 话:028-86751041-8004
联系人:王倩
手 机:15308020014
地 址: 中国 上海 嘉定区嘉涌路99弄6号713

更新时间:2024-12-18 浏览数:52
所属行业:机械设备> 阀门> 减压阀
发货地址:
产品规格:--
产品数量:1
包装说明:--
单 价:面议
CKD净化空气系统,使用喜开理的减压阀
产品介绍
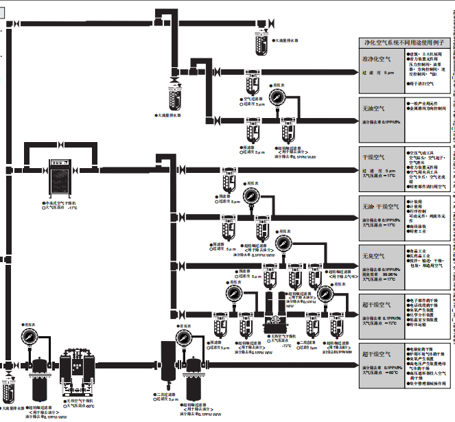
净化空气系统
配管上的注意事项
1.主配管必须?斜 1/100 进行配管。
2.分岐的场合必须从配管的上部开始?出。
3.配管??部使用镀锌管。超干燥空??
用不锈钢管。
4.?贴近使用装置安装超精细过滤?。
另外,进?温度?尽量设定在 30°C以内。
5.超精细过滤?后面的配管?务必进行
脱脂处理后再使用。
6.亚精细过滤? ( 主管道过滤? )、冷冻
式空?干燥机的后面使用超精细?的回
路不需要使用预滤?。
CKD 的净化空?系统可以有效地而又经济地
除?压缩空?中不纯物质。
本公司根据不同产业?不同用途备有不同的
净化空?系统 , 可排除压缩空?带来的一?
烦恼。
什么是 CKD 的净化空?系统 ?
压缩空?是通过一般的空?压缩机将空?压
缩而成的。空?中的水蒸?和用眼睛看不见
的灰尘与压缩机的压缩比例成正比 , 含量也
增大 , 因此压缩空?是非常不洁净的空?。
而?压缩机也有不同种类 , 给油式空?压缩
机因压缩?和摩擦? , ?滑油被氧化 , 变成
液体油 , 产生碳和焦油等固体物质。无给油
压缩机产生碳粒子。压缩空?会变成更有污
?的空?。
因此 , 为了除?压缩空?所含的不纯物质 ,
根据压缩空?的用途有效而经济地配置了可
以除?焦油和碳的亚精细过滤? , 除?水蒸
?的干燥机 , 除?氧化油和油臭味的超精细
过滤?等各种元件 , 这样的系统称为 C KD 的
净化空?系统。
使用CKD净化器的流程

同款型号表
产品型号表
2215-8C-NHG 减压阀
2215-8C-S4 减压阀
2215-8-G 减压阀
2215-KIT 减压阀零组件
2215-PISTON-ASSY 减压阀零组件
2304-16C 减压阀
2304-16C-G 减压阀
2304-16C-L 减压阀
2304-16C-R 减压阀
2304-16C-RG 减压阀
2304-16C-W/Z 减压阀
2302-2C 减压阀
2302-2C-FL490055/Z 减压阀
2302-2C-G 减压阀
2215-VALVE-ASSY 减压阀部品
2216-12C 减压阀
2304-16C-W-G10/Z 减压阀
2304-16C-W-L/Z 减压阀
2304-16C-W-L-G04/Z 减压阀
2216-12C-HG 减压阀
2216-16C 减压阀
2216-16C-G 减压阀
2216-16C-HG 减压阀
2216-16C-NG 减压阀
2216-16C-NHG 减压阀
2216-12C-G 减压阀
2216-12C-H 减压阀
2302-2C-L 减压阀
3PB210-06-1/Z,4JA319-08-E2C-3
VNA-25-AC100V,4JA3-U/Z
VNA-15-AC100V,AP21-50A-C4A-AC220V
4F210-08-B-AC100V/Z,2302-2C-W/Z
MDC2-L-10-10-P71 ,1126-ELEMENT/Z
MSTG-M-16-100/KK ,1138-8C-FY
MSTG-M-16-40/KK ,4KA210-06-LP-DC24V
3QRB119-00-D2H-3,4KA210-06-LP-AC100V
2304-16C,3PB210-08-L-3/Z
CKD净化空气系统,使用喜开理的减压阀