电 话:028-86751041-8004
联系人:王倩
手 机:15308020014
地 址: 中国 上海 嘉定区嘉涌路99弄6号713
美国进口ASCO通用先导电磁阀

性能特征:
?广泛的压力等级,尺寸和弹性
材料提供较长的使用寿命和较低的内部泄漏。
?用于液体,腐蚀性和空气/惰性的高流量阀
天然气服务。、
标称环境温度范围:
红帽子II /
红帽AC:32?F至125?F(0?C至52?C)
Red-Hat II DC:32?F至104?F(0?C至40?C)
红帽DC:32?F至77?F(0?C至25?C)
(偶尔会有104?F/40?C)
认证:
CSA认证。红帽II符合适用的CE指令。
标准:红色帽子II - 防水,1,2,3,3S,4和4X型;红帽子 - 类型I.
可选:红帽II - 防爆和防水型,类型3,3S,4,4X,6,
6P,7和9;红帽子 - 防爆和水密,类型3,4,
4X,7和9。
技术参数:
(要订购,请在产品目录编号中加上前缀“EF”,目录除外
数字8210B57,8210B58和8210B59。阀门不可用
防爆外壳。)
?工业应用包括:
- 洗车 - 洗衣设备
- 空气压缩机 - 工业用水控制
- 泵
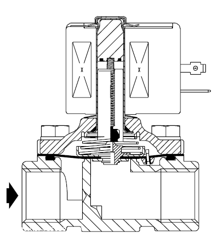
施工
阀门零件与液体接触
车身黄铜304不锈钢
密封件和圆盘NBR或PTFE
光盘持有人PA
芯管305不锈钢
Core和Plugnut 430F不锈钢
弹簧302不锈钢
遮蔽线圈铜银
电磁阀外壳
电动


美国进口ASCO通用先导电磁阀