电 话:021-39526589-8004
联系人:章莹玲
手 机:18918574312
地 址: 中国 上海 嘉定区嘉涌路99弄6号713

更新时间:2026-05-18 浏览数:57
所属行业:机械设备> 阀门> 执行器
发货地址:
产品规格:--
产品数量:1
包装说明:--
单 价:面议
NORGREN短行程气缸RM/92032/M/25技术数据
企业QQ:2880626087
手机:
电话: -8004
传真: -8007
邮箱: @163.com
联系人:王倩
实物图样:

描述:
基本行程是相同缸径的ISO/VDMA
标准气缸的三分之一
低摩擦,长寿命密封设计
完全耐腐蚀设计
磁性活塞为标准配准
驱动:双作用
行程:25 mm
接口尺寸:G1/8
缸径:32 mm
技术数据:
介质:压缩空气
接口尺寸:G1/8
驱动:双作用
工作压力:1 ... 10 bar
工作温度:-5 ... 80 °C
缸径:32 mm
活塞杆直径:16 mm
行程:25 mm
气缸可变螺纹:内螺纹活塞杆
理论力:362 N
密封:聚氨酯
材料 - 活塞杆:不锈钢(奥氏体)
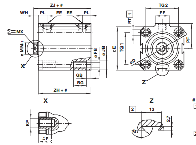
尺寸图:


常见故障:
⒈汽缸是铸造而成的,汽缸出厂后都要经过时效处理,使汽缸在住
铸造过程中所产生的内应力完全消除。如果时效时间短,那么加工
好的汽缸在以后的运行中还会变形。
⒉汽缸在运行时受力的情况很复杂,除了受汽缸内外气体的压力差
和装在其中的各零部件的重量等静载荷外,还要承受蒸汽流出静叶
时对静止部分的反作用力,以及各种连接管道冷热状态下对汽缸的
作用力,在这些力的相互作用下,汽缸易发生塑性变形造成泄漏。
⒊汽缸的负荷增减过快,特别是快速的启动、停机和工况变化时温
度变化大、暖缸的方式不正确、停机检修时打开保温层过早等,在
汽缸中和法兰上产生很大的热应力和热变形。
⒋汽缸在机械加工的过程中或经过补焊后产生了应力,但没有对汽
缸进行回火处理加以消除,致使汽缸存在较大的残余应力,在运行
中产生的变形。
⒌在安装或检修的过程中,由于检修工艺和检修技术的原因,使内
缸、汽缸隔板、隔板套及汽封套的膨胀间隙不合适,或是挂耳压板
的膨胀间隙不合适,运行后产生巨大的膨胀力使汽缸变形。
⒍使用的汽缸密封剂质量不好、杂质过多或是型号不对;汽缸密封剂
内若有坚硬的杂质颗粒就会使密封面难以紧密的结合。
型号:
RM/92016/N4/10
RM/92040/M/25
RM/92080/M/30
RM/92020/N4/10
RM/92050/JM/20
RM/92020/N2/30
RM/92032/N4/25
RM/92080/M/25
RM/92025/N4/50
RM/92063/M/40
RM/92016/M/15
RM/92063/N4/80
RM/92032/M/45
RM/92020/N2/25
RM/92050/N4/30
RM/92025/M/20
RM/92020/M/70
RM/92080/M/100
RM/92020/M/20
RM/92063/M/180
NORGREN短行程气缸RM/92032/M/25技术数据