电 话:028-86751041-8004
联系人:王倩
手 机:15308020014
地 址: 中国 上海 嘉定区嘉涌路99弄6号713

更新时间:2024-12-16 浏览数:33
所属行业:仪器仪表> 其他仪器仪表分类
发货地址:
产品规格:--
产品数量:1
包装说明:--
单 价:面议
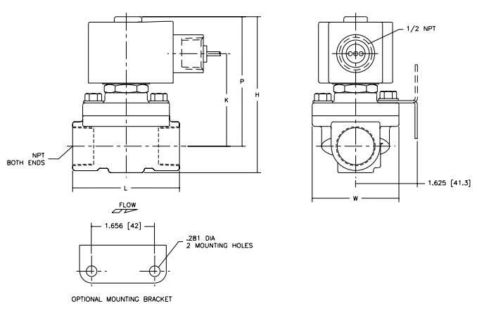
功能解说,原装美国ASCO低压电磁阀
产品特征:
?在低压下操作:无需低要求; 高达15 psi的大差值。
?常闭或常开操作。
?广泛用于点胶,整理,气体关闭,真空夹持和罐排水应用。
?通常打开的阀门非常适合通风系统。
施工
标准:防水,类型1,2,3,3S,4和4X。
可选:防爆和防水,3,3S,4,4X,6,6P,7和9型。
与流体接触的阀门零件
车身黄铜304不锈钢
密封件和圆盘NBR

芯管305不锈钢
核心和Plugnut 430F不锈钢
核心弹簧302不锈钢
遮光线圈铜银
杆PA(常开)
标称环境温度范围:
AC:32?F至125?F(0?C至52?C)
DC:32?F至104?F(0?C至40?C)
认证:
CSA认证。 如所示,UL列出。 FM认可(通常
除8030G17和8030G67外仅关闭)。 符合适用
CE指令。

功能解说,原装美国ASCO低压电磁阀