电 话:028-86751041-8004
联系人:王倩
手 机:15308020014
地 址: 中国 上海 嘉定区嘉涌路99弄6号713

更新时间:2024-12-16 浏览数:54
所属行业:机械设备> 气动元件(机械、工业制品、行业设备)> 气缸
发货地址:
产品规格:--
产品数量:1
包装说明:--
单 价:面议
诺冠NORGREN圆筒型气缸使用环境
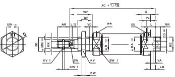
技术参数
在低于+2°C条件下使用时,请向本公司技术服务部咨询
行程:
标准值见表
非标准可达50mm
材料:
缸体:不锈钢(奥氏体) 端盖:洁净阳极氧化铝合金活塞杆:不锈钢(奥氏体) 缓冲垫:聚氨脂
密封件:丁腈橡胶
标准型为磁性活塞符合ISO6432
高强度、双压接端盖标准设计防腐蚀
标准型采用缸前端安装螺母和活塞杆锁紧螺母
可选气口位置以便紧凑安装
介质
经过滤的润滑或非润滑压缩气体
工作方式:
单作用(弹簧缩回) 磁性活塞,阻尼缓冲工作压力:
2 ~ 10bar
工作环境温度:
-10°C ~ 80°C
诺冠NORGREN圆筒型气缸使用环境